钱柜qg777集团

声光电光器件

声光调制器,Q开关,Q驱,普克尔盒,声光滤波器,脉冲选择器,电光Q开关及驱动器
电光调制器

电光调制器

时间:2022-11-25 类别:声光电光器件 关注:1642
STJ系列电光调制器可以以非常好的消光比影响频率高达千兆赫兹范围内的特别高的激光振幅。一个突出的特点是出色的光功率稳定性,非常适合在可见光和红外光谱范围内对激光进行振幅、相位和偏振调制。SCQ系列铌酸锂电光调制器具有低插入损耗、高调制带宽、低半 波电压等特点,主要用于空间光通信系统、铯原子时间基准、脉冲发生器、量子光学等领域。
产品经理
热线:181-6269-8939
QQ: 1651816816
微信:XTGD518
即刻询价

STJ系列电光调制器

光纤耦合集成光调制器是针对光振幅或相位调制的理想选择。该产品的波长范围足以覆盖500到1600nm。该调制器以电光晶体为基础,利用其快速的电光效应来发挥效果。您可以使用它来影响光的相位或振幅,使其达到千兆赫兹范围内的高调制频率。此外,这种结构紧凑的器件具有很高的光功率稳定性、较低的调制电压和高消光比的特点。

光很容易通过光纤和连接头耦合到集成光调制器中。调制器也可以根据要求配备特别适应的控制单元,例如脉冲采集器控制单元。除了标准的光调制器,我们还开发和制造客户所需的特殊要求的组件,以满足您的特定要求。

 

优点:

  • 功能强大:光功率稳定性高,消光比高。

  • 快:宽带信号处理范围高达千兆赫。

  • 用途广泛: 可用于VIS和IR光谱范围内的各种波长。

  • 使用简单:通过光纤和连接器可轻松地将激光耦合和输出。

  • 可定制化:可根据客户的特殊要求来定制组件。

应用领域:

  • 高动态模拟调制

  • 数字调制

  • 短脉冲生成

  • 脉冲整形

  • 曝光技术

  • 激光扫描显微镜

  • 干涉测量技术

  • 边带生成

  • 光学相干断层成像

集成光学振幅调制器STJ-AMxxx

集成光振幅调制器STJ-AMxxx是一种基于MgO:LiNbO3和LiNbO3晶体的紧凑光纤耦合波导电光调制器。它能提供快速的电光响应,且能允许频率高达千兆赫的幅度调制。现有的型号的调制器适用于可见光和红外光谱范围内的波长。标准设计的调制器使用偏振维持单模光纤来耦合光输入和输出。它们还可以配置不同类型的光纤系统或连接头。每个调制器可根据特殊要求安装控制和驱动单元。

优点:

  • 应用于可见光谱或红外光谱

  • 高调制频率

  • 单模光纤耦合

  • 高消光比

  • 低开关电压

应用领域:

  • 模拟和数字调制

  • 短激光脉冲生成

  • 振荡器放大器系统中的脉冲生成

  • 脉冲采集

  • 激光扫描显微镜

  • 计量学

集成光学振幅调制器STJ-AMxxx

产品型号 STJ-AM635 STJ-AM705 STJ-AM830 STJ-AM1064 STJ-AM1550
波长[nm] 635 705 830 1064 1550
光谱带宽[nm] ± 20 ± 20 ± 30 ± 40 ± 50
插入损耗,典型值[dB] 7 7 6 5.5 4.5
消光比,典型值 500 : 1 500 : 1 800 : 1 1000 : 1 1000 : 1
最小光学上升时间10/90,典型值 200 ps 200 ps 200 ps 200 ps 200 ps
光学连接,输入 标准 保偏单模光纤*
光纤连接头 裸光纤,FC/PC连接器或FC/APC连接器**
光学连接,输出 标准 保偏单模光纤*
可选 单模或多模光纤皆可
光纤连接头 裸光纤,FC/PC连接器或FC/APC连接器**
半波电压,典型值 2.5 V 2.5 V 2.5 V 3 V 5 V
最大偏置调制频率(正弦)[kHz]/最大光输入功率(cw) 1/ 20mW 1/ 20mW 1/ 30mW 1/300mW 1/300mW
尺寸 长x宽x高[mm]
 (外壳,无光纤通孔)
96x19x10 96x19x10 96x19x10 96x19x10 96x19x10

*标准:领结型,可选:熊猫型
**标准:广键连接器,可选:小键连接器

集成光学振幅调制器(偏置版本)

STJ-AM635b STJ-AM705b STJ-AM830b STJ-AM1064b STJ-AM1550b
波长[nm] 635 705 830 1064 1550
光谱带宽[nm] ± 20 ± 20 ± 30 ± 40 ± 50
插入损耗,典型值[dB] 7 7 6 5.5 4.5
消光比,典型值 500 : 1 500 : 1 800 : 1 1000 : 1 1000 : 1
最小光学上升时间10/90,典型值 200 ps 200 ps 200 ps 200 ps 200 ps
光学连接,输入 标准 保偏单模光纤*
光纤连接头 无/FC/PC/FC/APC**
光学连接,输出 标准 保偏单模光纤*
可选 仅单模
光纤连接头 无/FC/PC/FC/APC**
半波电压射频/偏置[V] 2.52.5 2.52.5 2.52.5 3/3 5 /5
最小光学上升时间射频10/90,典型值 500ps 500ps 500ps 500ps 500ps
最大偏置调制频率(正弦)[kHz] 1 1 1 1 1
最大光输入功率(cw) 20 20 30 300 300
尺寸 长x宽x高[mm] 96x31x10 96x31x10 96x31x10 96x31x10 96x31x10

*标准:领结型,可选:熊猫型
**标准:广键连接器,可选:小键连接器

集成光学相位调制器STJ-PMxxx

集成光相位调制器STJ-PMxxx是一种紧凑的基于光纤耦合波导的电光调制器,其工作基于MgO:LiNbO3和LiNbO3晶体。它能提供快速的电光响应,同时也支持频率高达千兆赫的相位调制。现有的型号的调制器适用于可见光和红外光谱范围内的波长。标准设计的调制器使用偏振维持单模光纤来耦合光输入和输出。它们还可以配置不同类型的光纤系统或连接头。

优点:

  • 应用于可见光谱或红外光谱

  • 高调制频率

  • 单模光纤耦合

  • 低调制电压

应用领域:

  • 模拟和数字调制

  • 边带生成

  • 干涉计量

  • 光学相干断层成像

STJ-PM635 STJ-PM705 STJ-PM830 STJ-PM1064 STJ-PM1550
波长[nm] 635 705 830 1064 1550
光谱带宽[nm] ± 20 ± 20 ± 30 ± 40 ± 50
插入损耗,典型值[dB] 6 5 5 4 3
最小光学上升时间10/90,典型值 200 ps 200 ps 200 ps 200 ps 200 ps
光学连接,输入 标准 保偏单模光纤*
光纤连接头 裸光纤,FC/PC连接器或FC/APC连接器**
光学连接,输出 标准 保偏单模光纤*
可选 单模或多模光纤皆可
光纤连接头 裸光纤,FC/PC连接器或FC/APC连接器**
半波电压,典型值[V] 5 5 4.5 6 10
最大光输入功率(cw)[mW] 20 20 30 300 300
尺寸 长x宽x高[mm] 96x19x10 96x19x10 96x19x10 96x19x10 96x19x10

*标准:领结型,可选:熊猫型
**标准:广键连接器,可选:小键连接器

SCQ系列铌酸锂电光调制器

铌酸锂调制器利用铌酸锂晶体的电光效应并结合光电子集成工艺制作而成,因其具有高响应速度,低插入损耗以及低半波电压广泛应用在光纤通信,微波光子,光纤传感等领域。铌酸锂晶体为负单轴晶体(no>ne),属于三角晶系,具有3m点群对称操作。这样的晶体结构注定了铌酸锂晶体具有较好的热电效应、压电效应、弹光效应、电光效应等。电光效应是指在直流电场(或低频电场)的作用下引起材料折射率明显变化的一种现象。也就是说外加电场改变了介质的光学性质。在某些材料中折射率的变化与所加电场的强度成线性关系,即线性电光效应,也称普克尔斯(Pockels)效应。线性电光效应可认为是入射光场与直流电场混合作用在物质中产生的二阶非线性极化,由于线性电光效应是用二阶非线性极化率描写的,因此它只能在具有空间非对称的晶体中发生。在有空间中心对称的材料中,比如液体或玻璃,折射率的变化与所加电场的平方成正比,这就是二次效应或称克尔(Kerr)电光效应。与线性电光效应类似,它可用三阶非线性极化来描写。除此之外,还有更高次的电光效应。因为一般情况下,高阶效应要比一次效应弱的多,所以在铌酸锂晶体中,我们只需考虑线性电光效应。

我们采用先进的质子交换工艺,生产的铌酸锂电光调制器具有低插入损耗、高调制带宽、低半  波电压等特点,主要用于空间光通信系统、铯原子时间基准、脉冲发生器、量子光学等领域。

铌酸锂电光调制器分为两大类:电光强度调制器和电光相位调制器,主要波长为780nm, 850nm, 1064nm, 1310nm, 1550nm和2000nm。根据客户需求可以定制其它波长。

产品型号定义:SCQ-XX-WW-XG-F-FC

  • XX:  调制器类型,AM为电光强度调制器,PM为电光相位调制器

  • WW:  工作波长,主要为850nm, 1064nm, 1310nm,1550nm和2000nm

  • XG:  工作带宽,主要为2.5G, 10G, 40G

  • F:  输入输出光纤类型,如PP (PM/PMF), PS (PM/SMF)

  • FC:  光纤接头,如FA (FC/APC), FP (FC/PC)

常用电光强度调制器列表 (封装尺寸):

产品型号 工作波长nm 最小波长nm 最大波长nm 带宽Hz 输入输出光纤 光纤接头
SCQ-AM-850-2.5G 850 830 870 2.5G PP FA, FP
SCQ-AM-850-10G 850 830 870 10G PP FA, FP
SCQ-AM-1064-2.5G 1060 980 1150 2.5G PP, PS FA, FP
SCQ-AM-1064-10G 1060 980 1150 10G PP, PS FA, FP
SCQ-AM-1310-2.5G 1310 1290 1330 2.5G PP, PS FA, FP
SCQ-AM-1310-10G 1310 1290 1330 10G PP, PS FA, FP
SCQ-AM-1550-2.5G 1550 1525 1575 2.5G PP, PS FA, FP
SCQ-AM-1550-10G 1550 1525 1575 10G PP, PS FA, FP
SCQ-AM-1550-20G 1550 1525 1575 20G PP, PS FA, FP
SCQ-AM-1550-40G 1550 1525 1575 40G PP, PS FA, FP
SCQ-AM-2000-1G 2050 1900 2100 1G PP, PS FA, FP
SCQ-AM-2000-10G 2050 1900 2100 10G PP, PS FA, FP

常用电光相位调制器列表 (封装尺寸):

产品型号 工作波长nm 最小波长nm 最大波长nm 带宽Hz 输入输出光纤 光纤接头
SCQ-PM-780-2.5G 780 760 800 10G PP FA, FP
SCQ-PM-850-2.5G 850 780 890 2.5G PP, PS FA, FP
SCQ-PM-850-10G 850 780 890 10G PP, PS FA, FP
SCQ-PM-1064-300M 1060 980 1150 300M PP FA, FP
SCQ-PM-1064-6G 1060 980 1150 6G PP FA, FP
SCQ-PM-1064-10G 1060 980 1150 10G PP FA, FP
SCQ-PM-1310-10G 1310 1290 1330 10G PP, PS FA, FP
SCQ-PM-1550-300M 1550 1525 1565 300M PP, PS FA, FP
SCQ-PM-1550-10G 1550 1525 1565 10G PP, PS FA, FP

STOL系列光纤耦合光调制器

电光调制器的基本结构从铌酸锂制成的晶片开始。嵌入晶片中的是用于引导光通过调制器的波导管。至少两个电极被放置在靠近波导的晶片的顶表面上。这些电极用于通过利用Pockels效应来调制信号。简单地说,Pockels效应是指施加在晶体上的电场导致折射率发生变化。通过改变晶体的折射率,穿过波导的光改变了用于调制信号的相位。

我们提供相位和强度调制器。我们的调制器种类繁多,很容易为您的项目找到合适的电光调制器。我们提供的调制器具有850–1550nm的工作波长和5–50GHz的3dB带宽。这些高性能调制器具有低插入损耗、高消光比,可以以高光功率工作,并提供优异的稳定性。此外,我们提供具有PM输出和低驱动电压的调制器,以适应更广泛的应用。

相位调制器

相位调制器由位于铌酸锂中的单个波导组成,波导两侧各有两个电极(下图)。这是最简单的调制器类型。

异相调制器是一种高性能的LiNbO3调制器。该相位调制器可以以低驱动电压提供具有x切割退火质子交换(APE)工艺的相位调制。它具有低插入损耗和高传输功率。调制器使用保持偏振的输入和输出光纤,使其易于与其他光学组件集成。

特点:

  • 保偏输出
  • 低插入损耗(≤4.0dB)
  • 高输入功率处理能力
  • 线缆900?m套管
  • 偏振消光比≥21dB

应用:

  • 模拟调制
  • 脉冲产生
  • 量子光子
  • 有源锁模激光器

规格:

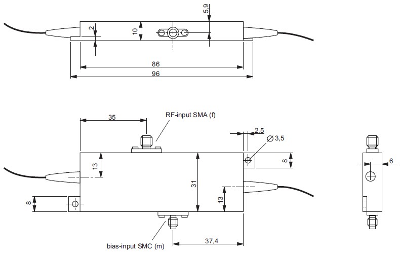
型号 波长(nm) 带宽(GHz) 最大输入光功率(mW) Vπ(V) 光回波损耗(≤dB) 射频端口连接器 尺寸(mm)
STOL-PM-785-0.5 785 0.5 5. 4V@1GHz -30 K连接器 96x25x16.3
STOL-PM-785-5 785 5 5. 5V@1GHz -30 K连接器 96x25x16.3
STOL-PM-785-10 785 10 20 5.2V@1GHz 30 K连接器 96x25x16.3
STOL-PM-785-20 785 20 5. 6.8V@1GHz 30 K连接器 96x25x16.3
STOL-PM-850-02 850 0.2 20 1.1V@0.1GHz 40 K连接器 65x11.5x5.8
STOL-PM-1064-20 1064 20 300 5.5V@1GHz 40 V母头 87x14.5x10.1
STOL-PM-1310-5 1310 5. 50 6V@1GHz 30 K连接器 96x25x16.3
STOL-PM-130-10 1310 10 50 8.8V@1GHz 30 K连接器 96x25x16.3
STOL-PM-1550-0.5 1550 0.5 50 8V@0.001GHz 30 K连接器 96x25x16.3
STOL-PM-1550-5 1550 5. 50 9V@1GHz 30 K连接器 96x25x16.3
STOL-PM-1550-10 1550 10 40 10.5V@1GHz 30 K连接器 96x25x16.3
STOL-PM-1550-0.5-PMLD 1550 0.5 50 4V@0.001GHz 30 K连接器 96x25x16.3

功能图:

机械制图:

强度调制器

强度调制器使用马赫-曾德尔干涉仪(MZI)的结构,将波导分成两条路径并重新组合(下图)。电极被放置在两个波导路径周围,以在分裂时调制光中的相位。当路径重新组合时,光路根据相位经历构造或解构干涉,从而调制光强度。

我们的强度调制器设计用于卫星链路、天线远程和光纤射频的不同频率的模拟调制。通过使用退火质子交换(APE)波导,调制器提供了低插入损耗和高功率处理能力。它具有高度线性的传递函数和优异的消光比。调制器与各种各样的调制器驱动器兼容,并且单独的偏置端口允许调制器在传递函数的特定点处操作。

特点:

  • 保偏(PM)输出或单模(SM)输出
  • 低插入损耗(≤4.5dB)
  • 高输入功率处理能力
  • 驱动电压低

应用:

  • 模拟调制
  • 脉冲产生
  • 量子光子学
  • 有源锁模激光器

规格:

型号 波长(nm) 带宽(GHz) 最大输入光功率(mW) Vπ(V) 光回波损耗(≤dB) 射频端口连接器 尺寸(mm)
STOL-IM-785-0.5-PM 785 0.5 10 2.5@1KHz -45 GPO male 65 x 11.4 x 4.8
STOL-IM-785-20-PM 785 20 10 5.5@10GHz -45 V female 87 x 14.5 x 10
STOL-IM-785-40-PM 785 40 10 6.5@20GHz -45 V female 87 x 14.5 x 10
STOL-IM-850-5pm 850 5. 20 5.0@1GHz -45 V female 87 x 14.5 x 10
STOL-IM-850-10-PM 850 10 20 5.0@1GHz -45 V female 87 x 14.5 x 10
STOL-IM-850-20-PM 850 20 20 5.5@10GHz -45 V female 87 x 14.5 x 10
STOL-IM-1064-10-PM 1064 10 100 4.3@10GHz -45 K female 96.1 x 24.9 x 16.3
STOL-IM-1064-20-PM 1064 20 100 4.3@20GHz -45 K female 96.1 x 24.9 x 16.3
STOL-IM-1064-40-PM 1064 40 300 3.9@1GHz -50 V female 87 x 14.5 x 10
STOL-IM-130-10- PM 1310 10 100 6.6@10GHz -45 K female 66 x 22 x 9
STOL-IM-1310-20-PM 1310 20 100 5@1kHz -45 K female 66 x 22 x 9
STOL-IM-13100-40-PM 1310 40 100 5.1@1GHz -50 V female 87 x 14.5 x 10
STOL-IM-1550-10-PM 1550 10 100 6@1GHz -45 K female 96 x 14 x 8.5
STOL-IM-1500-10-PMV 1550 10 100 6@1GHz -45 V female 96 x 14 x 8.5
STOL-IM-1500-10-SM 1550 10 100 5@1GHz -35 SMA 117.9 x 15.2 x 9.8
STOL-IM-1550-20-SM 1550 20 100 5.7@1GHz -45 K female/SMA 96 x 24.9 x 16.3
STOL-IM-1550-40-PM 1550 40 100 4.5@30GHz -45 V female 71 x 16 x 7

选项:

  • STOL-IM-785-40-PM-XX
  • XXHE:高消光比
  • PD:内部PD

请联系我们以获取可用选项。

功能图:

机械制图:

STOL-IM-XXX-XX-PM-PD外壳,带内部PD

STOL-IM-XXX-XX-PM外壳,无内部PD

可用配件:ST-BCB-4

这是一款结构紧凑的偏置控制板,设计用于维持光强度调制器的线性工作点

多功能集成光学芯片

多功能集成光学芯片(MIOC)是光纤陀螺仪(FOG)的关键部件,用于转速感应和惯性导航系统。 该集成光学芯片装置由偏振器、Y 型结耦合器和双电光学相位调制器组成。 通过使用铌酸锂,该集成光学芯片采用质子交换光波导制造。 它的偏振消光比超过 60 dB,可以最大限度地减少偏振串扰引起的非互惠性偏置漂移。 光纤电流传感器(FOCS)芯片专为光纤电流传感而设计。

特点

  • 1550±20nm工作波长
  • PM输入和输出端口
  • 低插入损耗3.5 dB
  • 偏振消光比>60dB
  • 低Vπ电压4V
  • 提供未封装的芯片

应用:

  • 光纤陀螺仪
  • 光纤电流传感器(FOCS)
  • 压敏检波器和其他光学敏感场

规格:

型号 波长(nm) 带宽(nm) 分割比例(%) 强度调制(%) 插入损耗 尺寸(毫米)
STOL-MIOC-1550-BC 1550 20 50 0.1 3.5 1x1.8x22.5
STOL-MIOC-1550-BC-P 1550 20 50 0.1 2.5 1x1.8x22.5
STOL-MIOC-1550-PG 1550 20 50 0.1 3.5 5.85x12.85x40.5
STOL-MIOC-1550-PG-P 1550 20 50 0.1 2.8 5.85x12.85x40.5
STOL-MIOC-1550-SB 1550 20 50 0.1 3.5 1.75x7x26
STOL-MIOC-1550-SP 1550 20 50 0.1 3.5 3x6.5x33
STOL-FOCS-1550-PG 1550 20 50 0.1 4.2 5.85x12.85x40.5

功能图:

机械制图:

STOL-MIOC-1550-BC

射频放大器调制器驱动器

我们的高增益射频放大器模块可为微波和模拟链路提供经济高效的解决方案。 该模块结构紧凑、使用方便,可提供高质量的单端电压来驱动光调制器。 这款多功能模块采用 12V 或 5V 直流电源,外壳经过阳极氧化处理。精密加工的铝制外壳,可在长时间使用时有效散热。 大多数调制器都有一个可手动调节的直流偏置输出电压端口,以便在与标准光学调制器一起使用时进一步提高其效率。

应用:

  • 模拟射频放大
  • 5G无线天线
  • 光纤射频链路
  • 数字调制
  • 一般实验室测试和测量
  • SONET/SDH

规格:

型号 带宽(GHz) S11特性(dB) 数据速率(Gb/s) 射频增益(dB) 饱和输出功率(dBm) 增益纹波(dB) 输入、输出阻抗(?) 增益调整范围(dB) 电源要求
STOL-MD-9-M 3至9 -15 - 34 30 0.5 50 - 5V DC
STOL-MD-50E-M 45 -10 50 20 14.5 1.5 50 15 12V DC, 2A
STOL-MD-20-M 18 -10 23 19 to 24 26 0.5 50 5 12V DC, 1A
STOL-MD-12-DC 12 -10 12.5 14 to 26 26 1.5 50 6 12V DC, 1A

功能图和图纸:

分享: