钱柜qg777集团

声光电光器件

声光调制器,Q开关,Q驱,普克尔盒,声光滤波器,脉冲选择器,电光Q开关及驱动器
声光驱动器 声光Q开关电源 Q驱

声光驱动器 声光Q开关电源 Q驱

时间:2021-10-11 类别:声光电光器件 关注:3012
QSD声光Q开关电源是针对不同的激光应用领域设计的高品质声光Q开关(Acousto-Optic Q-switch)驱动电源,它能接受外部的控制信号,产生相应的射频信号加到Q开关元件上对激光进行Q调制,使用非常方便。
产品经理
热线:181-6269-8939
QQ: 1651816816
微信:XTGD518
即刻询价

QSD声光Q开关电源

QSD声光Q开关电源是针对不同的激光应用领域设计的高品质声光Q开关(Acousto-Optic Q-switch)驱动电源,它能接受外部的控制信号,产生相应的射频信号加到Q开关元件上对激光进行Q调制,使用非常方便。

技术参数

  • 射频输出功率:≥50W,75W或100W

  • 工作频率:27.125MHz

  • 驻波比:≤1.2 : 1

  • 内部设有800Hz-50KHz调制频率

  • 具有首脉冲抑制功能

  • 外部信号输入接口、外部频率输入接口 (TTL,外控频率可高达100kHz以上)

  • 模块集成化结构.免焊接维修更换部件

  • Q头温度保护接口

  • 内置温度保护、过流保护

  • 数显频率表显示内频、外频

  • 输入电压可选AC220V/AC110V.,输入功率<150W.

设备型号:QSDxxyy

  • QSD – QSD系列Q开关驱动器

  • Xx ----- 射频频率,27代表27MHz,24代表24MHz

  • Yy ----- 射频功率,单位W,50代表50W,75代表75W

  • 常型号有QSD2750,QSD2775,QSD27100等。

机器外形和重量

QSDxxyy系列:19英寸2U上架式机箱 (483×88×270mm,重量5.5kg)

MQH0XX-YYDM-ZZZ (24-80MHz, 25-100W)(旧型号R390XX-YYDMZZZ-A)

小型紧凑的Q开关电源输出功率为50W或100W,调制输入信号可以是全数字,也可以是内部脉冲发生器启动。有四种首脉冲抑制可供选择。控制板上LED指示和TTL电平输出监视Q驱动器的运行状况。

型号 MQH0XX-YYDM-ZZZ
射频输出功率 50W 或 100W
射频频率 24.00MHz,27.12MHz,40.68MHz,68MHz,80MHz
首脉冲抑制方式 触发首脉冲抑制:FPS
触发预脉冲抑制:PPK
射频关断模拟控制:型号R05时为0-5V
模拟调制:型号A05时为0-5V;型号A13时为2-13V
频率误差 ± 0.02%
输出匹配阻抗 50W
射频输出下降时间 <  100ns (典型为60ns)
射频输出上升时间 典型250ns
消光系数 >  52dB
谐波级数 满输出功率时 <  -30dB
输入电压 28VDC ±5%
输入电流 射频功率50W为6.5A;射频功率100W为9.0A
调制输入控制信号 TTL (TTL 高电平无射频输出)
调制频率 100Hz 至 100kHz
内部脉冲宽度 1?s 至 14?s
状态监视 电源供给,高VSWR,射频输出低,射频输出达最大,电源过热,Q开关过热
储藏温度 -20?C 至 +85?C
运行温度 +10?C 至 +55?C

QC系列声光Q开关电源(Q驱)(低功率)

MQCxxx-yyDC-zzz-AAV (以前的型号是R390xx-yyDMzzz-SC)

小型紧凑的Q开关电源输出功率为2W-24W,调制输入信号可以是全数字,也可以是内部脉冲发生器启动。有四种首脉冲抑制可供选择。

型号说明:QCxxx-yyDC-zzz-AAV

  • XXX:射频频率 (xx=24、27、41、68或80MHz)。

  • YY:射频输出功率 (yy=2-24,W)。

  • ZZZ:首脉冲抑制方式(zzz=FPS, PPK, R05, A05)。

  • D:D为数字调制输入;A为模拟调制输入。

  • C:C为M时是OEM型;C为S时是19寸标准控制盒。

  • AAV:输入电源直流电源,为12VDC、15VDC或24VDC,出厂时设定。

型号例子:QC041-20DC-FPS-15V,41MHz OEM型射频电源,输出20W,数字调制输入,带首脉冲抑止,要求输入直流电源15V。

型号 QCxxx-yyDC-zzz-AAV
射频输出功率 2W - 24W,出厂时设定,可调整功率+10%
射频频率 24.00MHz,27.12MHz,40.68,68MHz 或 80MHz, ± 0.01%
调制输入方式 触发首脉冲抑制:FPS (First Pulse Suppression)
触发预脉冲抑制:PPK (Pre Pulse Kill)
射频关断模拟控制(RF off Analog Control):型号R05时为0-5V
模拟调制 (Analog Control):型号A05时为0-5V;型号A13时为2-13V
输出匹配阻抗 50W
射频输出下降时间 <  50ns
射频输出上升时间 <  100ns
输入电压 +12VDC、+15VDC 或 +24VDC ±5% (订货时必须选一)
输入电流 <  3A
调制输入控制信号 TTL (TTL 高电平无射频输出)
调制频率 1Hz 至 500kHz
内部脉冲宽度 1?s 至 20?s
储藏温度 -20?C 至 +85?C
运行温度 +10?C 至 +55?C
外形尺寸 95x60x25mm

外观尺寸图

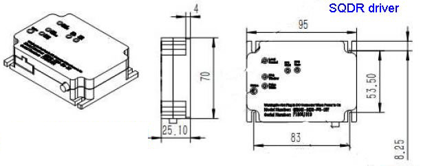
SQDR系列紧凑型低功率声光Q电源(Q驱)

SQDRxxx-yyDC-zzz-AAV电源与QC0xx-yyDC-zzz电源类似,功能和外形尺寸基本一样,外形尺寸为 95x70x25mm,但价格便宜。

型号说明: SQDRxxx-yyDC-zzz-AAV

  • XXX:射频频率,xx=041(40.68MHz)、=68(68MHz)或=80(80MHz)。

  • YY:射频输出功率 (yy=2-24,W)。

  • ZZZ:首脉冲抑制方式(zzz=FPS, PPK, R05, A05)。

  • D:D为数字调制输入;A为模拟调制输入。

  • C:C为M时是OEM型;C为S时是19寸标准控制盒。

  • AAV:输入电源直流电源,为12VDC、15VDC或24VDC,出厂时设定。

型号例子:SQDR041-20DC-FPS-15V,41MHz OEM型射频电源,输出20W,数字调制输入,带首脉冲抑止,要求输入直流电源15V。

外观尺寸图

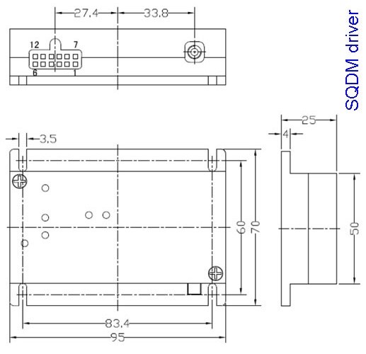
SQDM系列紧凑型低功率声光Q电源(Q驱)

SQDMxxx-yyDC-zzz-AAV电源与QC0xx-yyDC-zzz电源类似,功能和外形尺寸基本一样,但价格便宜。

型号说明: SQDMxxx-yyDC-zzz-AAV

  • XXX:射频频率,xx=041(40.68MHz)、=68(68MHz)或=80(80MHz)。

  • YY:射频输出功率 (yy=2-24,W)。

  • ZZZ:首脉冲抑制方式(zzz=FPS, PPK, R05, A05)。

  • D:D为数字调制输入;A为模拟调制输入。

  • C:C为M时是OEM型;C为S时是19寸标准控制盒。

  • AAV:输入电源直流电源,为12VDC、15VDC或24VDC,出厂时设定。

型号例子:SQDM041-20DC-FPS-15V,41MHz OEM型射频电源,输出20W,数字调制输入,带首脉冲抑止,要求输入直流电源15V。

外观尺寸图

STZ系列紧凑型低功率声光Q电源(Q驱)

STZ系列Q驱的射频工作频率有41MHz和80MHz两种。驱动器带驻波检测及保护功能,此功能可对空载和短路提供充分的保护,同时电缆和负载异常使驻波比严重异常时也可启动保护,确保驱动器的安全,另外保护具有自恢复能力,即当导致驻波保护启动的因素排除时(如电缆接触不良到可靠连接时)驱动自动恢复正常工作状态,不需掉电重启,这对故障排除具有重要意义。

紧凑型低功率声光Q电源(Q驱) 紧凑型低功率声光Q电源(Q驱)

本驱动器总共有5个可调节旋钮,分别标记为Prf、Pulse Width、FPS Window、FPS Slope、FPS Start,其功能如下:

  • Prf:最大输出功率调节,顺时针调节功率增加、逆时针调节功率减少,可调节范围0~20W±10%

  • Pulse Width:TTL_Fixed宽度设定,顺时针调节出光时间增加、逆时针调节出光时间减少,可调节范围0.8us~25us±10%(仅DB9第3脚定义为TTL_Fixed时有效)

  • FPS Window:FPS窗口时间调节,顺时针调节FPS时间增加、逆时针调节FPS时间减少,可调节范围20us~350us±10%

  • FPS Slope: FPS三角波斜率调节,顺时针调节斜率增加、逆时针调节斜率减小

  • FPS Start:FPS起始电平调节,顺时针调节起始电平增加、逆时针调节起始电平减小

射频输出有多钟模式,方便客户使用:

  • 模式1A:纯数字模式、上升沿及高电平出光,不出光期射频固定。

  • 模式1B:纯数字模式、下降沿及低电平出光,不出光期射频固定。

  • 模式1C:射频功率可调纯数字模式、上升沿及高电平出光,不出光期射频由ANALOG电压决定)。

  • 模式1D:射频功率可调纯数字模式、下降沿及低电平出光,不出光期射频由ANALOG电压决定。

紧凑型低功率声光Q电源(Q驱)

  • 模式2A:FPS模式、上升沿及高电平出光、不出光期射频为最大、FPS窗口期出光射频由内部三角波决定,非FPS窗口期出光射频为0 。

  • 模式2B:FPS模式、下降沿及低电平出光、不出光期射频为最大、FPS窗口期出光射频由内部三角波决定,非FPS窗口期出光射频为0 。

  • 模式3:纯模拟模式、射频完全由ANALOG控制,ANALOG电压为射频包络线。

紧凑型低功率声光Q电源(Q驱)

  • 模式4A:模数混合模式、上升沿及高电平出光、不出光期射频为最大、出光期射频由ANALOG决定。

  • 模式4B:模数混合模式、下降沿及低电平出光、不出光期射频为最大、出光期射频由ANALOG决定。

  • 模式4C:模数混合模式、上升沿及高电平出光、出光期射频为0、不出光期射频由ANALOG决定。

  • 模式4D(模数混合模式、下降沿及低电平出光、出光期射频为0、不出光期射频由ANALOG决定。

  • 模式5A:FPS模数全混合模式、上升沿及高电平出光、不出光期射频为最大、出光期射频由ANALOG及内部产生的FPS三角波电压共同决定、FPS窗口期ANALOG电压必需为0 。

  • 模式5B:FPS模数全混合模式、下降沿及低电平出光、不出光期射频为最大、出光期射频由ANALOG决定、FPS窗口期ANALOG电压必需为0。

紧凑型低功率声光Q电源(Q驱)紧凑型低功率声光Q电源(Q驱)

主要技术参数:

  • 电源额定输入电压15~24V(允许电压范围14.5~24.5VDC),纹波≤100mV

  • FPS、TTL_Fixed、TTL_Varibale输入阻抗10KΩ±10%

  • ANALOG输入阻抗10KΩ±10%

  • FPS、TTL_Fixed、TTL_Varibale低电平电压范围-0.5~0.8V, 高电平电压范围2.5~5V

  • ANALOG输入电压范围0~5V

  • FPS输入宽度1~350uS,FPS输入宽度为1~20uS时,FPS窗口期由FPS Window旋钮决定,否则由FPS及FPS Window时间长的决定(可将FPS Window调到最小,用FPS信号直接控制窗口时间或将FPS信号设置小于20uS,用FPS Window旋钮控制窗口时间两种模式)

  • TTL_Fixed输入宽度范围50ns~TTL_Fixed周期-500ns

  • TTL_Variable有效输入范围500ns~TTL_Variable周期-500ns(2脚如接地指低电平范围)

  • TTL_Fixed输出宽度范围0.8us~25us±10%,由Pulse Width旋钮决定

  • 最短射频工作时间500ns

  • 最短出光时间500ns

  • 射频下降沿时间< 20ns(仅纯数字模式及其它模式的纯数字期间,其它情况由模拟信号决定)

  • FPS窗口期范围20~350us±10%,由FPS信号宽度及FPS Window旋钮共同决定

  • 最大射频输出功率Pmax=20W±10%,最大输入功率45W±10%

  • 输出功率范围0~Pmax,由Prf旋钮决定

  • 外形尺寸:100x70x25mm

型号说明: STZxxx-yyD-zzz

  • XXX:射频频率,xx=041(40.68MHz)、或=80(80MHz)。

  • YY:射频输出功率 (yy=2-20,W)。

  • ZZZ:首脉冲抑制方式(zzz=FPS, TTLF或TTLV)。

  • D:D为数字调制输入;A为模拟调制输入。

分享: